Suitable to coordinate with other class SPD, to form layer stack protection system, make more wide and more effective protection to the low voltage distribution system.
| Quantity: | |
|---|---|
SP9-I Series

Application
SP9 Series surge protection device (hereinafter short as SPD), suitable for three phase distribution system with rated operating voltage AC 230/400V, 50Hz, confirm to SPD class I test classification, its impulse current peak value up to 25KA (10/35µs), electric charge qty up to 20As, limiting the direct lightning strike, induction lightning or other instant over voltage, discharge the surge energy, to protect the system circuit and load equipment.
Suitable to coordinate with other class SPD, to form layer stack protection system, make more wide and more effective protection to the low voltage distribution system.
Standard: GB18802.1, IEC61643-1
Model Meanings

① | Surge Protection Device |
② | Design code |
③ | Impulse test category |
④ | Discharge current value (15kA, 25kA) |
⑤ | Combination mode (1P/2P/3P/4P) |
Main Technical Parameters
Classification | SP9-I 15 | SP9- I 25 | ||||||
Rated operating voltage Un (V) | 230V/400V | 230V/400V | ||||||
Nominal discharge current In (8/20µs) | 15kA | 25kA | ||||||
Max. continuous operating voltage Uc | 275V | 320V | 385V | 440V | 275V | 320V | 385V | 440V |
Voltage Protection level Up | ≤1.5kV | ≤1.6kV | ≤1.7kV | ≤1.8kV | ≤1.8kV | ≤2.0kV | ≤2.2kV | ≤2.4kV |
Current peak value Ipeak (10/35µs) | 15kA | 25kA | ||||||
Electric charge qty Q | 7.5As | 12.5As | ||||||
Impulse current Iimp | 15kA | 25kA | ||||||
Test classification | I | I | ||||||
Protection class | IP20 | IP20 | ||||||
Protection mode | L/N-PE | L/N-PE | ||||||
Max. ambient temperature | -40℃ ~+80℃ | -40℃ ~+80℃ | ||||||
Insulation enclosure material | PBT/PA66 | PBT/PA66 | ||||||
Installation mode | 35mm DIN Rail | 35mm DIN Rail | ||||||
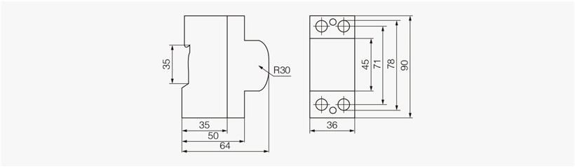
Outline And Installation Dimension (mm)

Different Power Supply Earthing System Selection
TN-C-S system
In this system, the N line(neutral line), PE line(earthing line) from the low voltage side of transformer combined as one PEN line, at this position, only need to install the SPD between phase line and PEN line, after come into building’s main distribution box, PEN line separate into independent N line and PE line, the PEN line is connected to the earthing bar of the building’s main equipotential connection to access to earth. After enter into main distribution box, N line and PE line independently, need to install SPD between them.
Can select SP1-B type, SP1-C type and SP1-D type product as Class I, II, III protection.

TN-S System
In this system, the N line(Neutral line) and PE line(earthing line) only joint connecting to earth at the outgoing terminal of low voltage side of transformer. Before come into the building’s main distribution box, N line and PE line is independently wiring, between phase line and PE line, N line and PE line all need to install SPD. Can select SP1-B type, SP1-C type and SP1-D type product as Class I, II, III protection.

TT System
In this system, the N line(Neutral line) only grounding at the neutral position of transformer. N line and PE line strictly separate wiring. Therefore need to install SPD between phase line and N line. Install gap surge protection device between N line and PE line. Can select SP1-B type, SP1-C type and SP1-D type product as Class I, II, III protection. Select SDS-40 type product as protection between N line and PE line after Class II protection.

It System
In this system, the neutral point of transformer is not grounding, no neutral N line in the circuit. Can select SP1-B type, SP1-C type and SP1-D type product as Class I, II, III protection.

Hot Tags: sub panel surge protectors, China, suppliers, manufacturers, factory, price, discount
SP9-I Series

Application
SP9 Series surge protection device (hereinafter short as SPD), suitable for three phase distribution system with rated operating voltage AC 230/400V, 50Hz, confirm to SPD class I test classification, its impulse current peak value up to 25KA (10/35µs), electric charge qty up to 20As, limiting the direct lightning strike, induction lightning or other instant over voltage, discharge the surge energy, to protect the system circuit and load equipment.
Suitable to coordinate with other class SPD, to form layer stack protection system, make more wide and more effective protection to the low voltage distribution system.
Standard: GB18802.1, IEC61643-1
Model Meanings

① | Surge Protection Device |
② | Design code |
③ | Impulse test category |
④ | Discharge current value (15kA, 25kA) |
⑤ | Combination mode (1P/2P/3P/4P) |
Main Technical Parameters
Classification | SP9-I 15 | SP9- I 25 | ||||||
Rated operating voltage Un (V) | 230V/400V | 230V/400V | ||||||
Nominal discharge current In (8/20µs) | 15kA | 25kA | ||||||
Max. continuous operating voltage Uc | 275V | 320V | 385V | 440V | 275V | 320V | 385V | 440V |
Voltage Protection level Up | ≤1.5kV | ≤1.6kV | ≤1.7kV | ≤1.8kV | ≤1.8kV | ≤2.0kV | ≤2.2kV | ≤2.4kV |
Current peak value Ipeak (10/35µs) | 15kA | 25kA | ||||||
Electric charge qty Q | 7.5As | 12.5As | ||||||
Impulse current Iimp | 15kA | 25kA | ||||||
Test classification | I | I | ||||||
Protection class | IP20 | IP20 | ||||||
Protection mode | L/N-PE | L/N-PE | ||||||
Max. ambient temperature | -40℃ ~+80℃ | -40℃ ~+80℃ | ||||||
Insulation enclosure material | PBT/PA66 | PBT/PA66 | ||||||
Installation mode | 35mm DIN Rail | 35mm DIN Rail | ||||||
Outline And Installation Dimension (mm)

Different Power Supply Earthing System Selection
TN-C-S system
In this system, the N line(neutral line), PE line(earthing line) from the low voltage side of transformer combined as one PEN line, at this position, only need to install the SPD between phase line and PEN line, after come into building’s main distribution box, PEN line separate into independent N line and PE line, the PEN line is connected to the earthing bar of the building’s main equipotential connection to access to earth. After enter into main distribution box, N line and PE line independently, need to install SPD between them.
Can select SP1-B type, SP1-C type and SP1-D type product as Class I, II, III protection.

TN-S System
In this system, the N line(Neutral line) and PE line(earthing line) only joint connecting to earth at the outgoing terminal of low voltage side of transformer. Before come into the building’s main distribution box, N line and PE line is independently wiring, between phase line and PE line, N line and PE line all need to install SPD. Can select SP1-B type, SP1-C type and SP1-D type product as Class I, II, III protection.

TT System
In this system, the N line(Neutral line) only grounding at the neutral position of transformer. N line and PE line strictly separate wiring. Therefore need to install SPD between phase line and N line. Install gap surge protection device between N line and PE line. Can select SP1-B type, SP1-C type and SP1-D type product as Class I, II, III protection. Select SDS-40 type product as protection between N line and PE line after Class II protection.

It System
In this system, the neutral point of transformer is not grounding, no neutral N line in the circuit. Can select SP1-B type, SP1-C type and SP1-D type product as Class I, II, III protection.

Hot Tags: sub panel surge protectors, China, suppliers, manufacturers, factory, price, discount
content is empty!