RDQ3NMA automatic transfer switch series has 5 sizes, which are 125A, 250A, 400A, 630A, 800A. With A type controller and LED indicator. We design and developed the ATS by our own R&D team, radin’s ATS is featured with elegant outlook and distinguished design.
| Quantity: | |
|---|---|

RDQ3NMA 3 Pole Automatic Transfer Switches for Generator Transfer Switch Kit
RDQ3NMA 3 pole automatic transfer switches series has 5 sizes, which are 125A, 250A, 400A, 630A, 800A. It is with A type controller and LED indicator. We design and developed the ATS by our own R&D team. Radin's ATS is featured with elegant outlook and distinguished design.
Overview: This controller is a type economic controller developed as per to market demand. It has the features of simple operation, and is suitable functions and display intuitive etc.. This controller has advantages of stable quality, reliable performance, high anti electromagnetic interference ability, etc. It is widely used in various kind of severe environment with strong electromagnetic radiation and interference. AC-32B utilization category per IEC/EN 60947-6-1 standard.

Structure Introduction
RDQ3NMA 3 pole automatic transfer switches use category of AC-32B, and electrical appliance grade is CB class.
RDQ3NMA ATS consists of two 3P or 4P MCCB and its accessories (auxiliary contact, alarm contact), mechanical interlocking transmission mechanism, intelligent controller, etc. The overall structure in which the controller and the execution unit are installed on the same base;
Feature
● There is a reliable mechanical interlocking device and electrical interlocking protection between the two molded case circuit breakers, which completely avoids the possibility of the two molded case circuit breakers being powered on at the same time;
● It has short circuit and overload protection functions;
OEM/ODM Service
Support using customer brand MCCB as main switch.
Technical Specification
Model | RDQ3NMA |
Rated Current | 100A to 800A |
Poles | 3P and 4P |
Working Power | AC150V-300V 50/60Hz |
Operation Mode | Auto and Manual |
Power Consumption | ≤20W |
Working Position | Three working positions I - O- II |
Running Status LED display | I/II Power available, I/II Power ON |
Transfer delay timer | Fixed 0.5s |
Source priority | Default source I priority |
A Controller Features

Terminals And Wiring Instruction
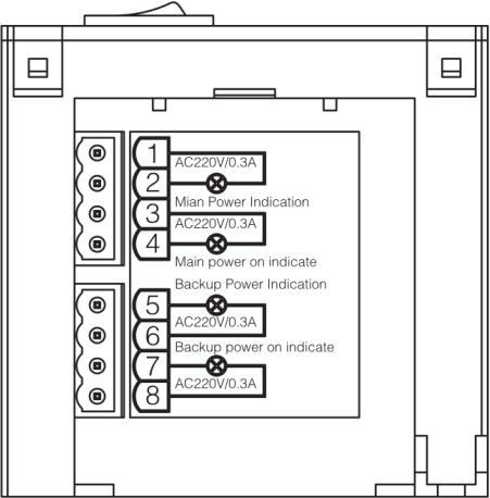
![]() | ① 1 ~ 4 Main power external indicator signal (active AC220V/0.3A) 1-Main power indicator live line 2-Main power indicator null line 3-Main power ON indicator live line 4-Main power ON indicator null line ② 5 ~ 8 Backup power external indicator signal (active AC 220V/0.3A) 5-Backup power indicator live line 6-Backup power indicator null line |



Reliable mechanical interlock device and electrical interlock protection, avoid two MCCB close at same time; Controller power supply and power source sampling power separate from SCM control system, from the hardware design to overcome the EMI;
Controller display panel removable can be separately install, to match different installation requirement; Frame current: 63, 125, 250, 400, 630, 800, 1250A
Hot Tags: 3 pole automatic transfer switches, China 3 Pole Automatic Transfer Switches suppliers, Automatic Transfer Switches manufacturers, Automatic Transfer Switches factory, price, discount

RDQ3NMA 3 Pole Automatic Transfer Switches for Generator Transfer Switch Kit
RDQ3NMA 3 pole automatic transfer switches series has 5 sizes, which are 125A, 250A, 400A, 630A, 800A. It is with A type controller and LED indicator. We design and developed the ATS by our own R&D team. Radin's ATS is featured with elegant outlook and distinguished design.
Overview: This controller is a type economic controller developed as per to market demand. It has the features of simple operation, and is suitable functions and display intuitive etc.. This controller has advantages of stable quality, reliable performance, high anti electromagnetic interference ability, etc. It is widely used in various kind of severe environment with strong electromagnetic radiation and interference. AC-32B utilization category per IEC/EN 60947-6-1 standard.

Structure Introduction
RDQ3NMA 3 pole automatic transfer switches use category of AC-32B, and electrical appliance grade is CB class.
RDQ3NMA ATS consists of two 3P or 4P MCCB and its accessories (auxiliary contact, alarm contact), mechanical interlocking transmission mechanism, intelligent controller, etc. The overall structure in which the controller and the execution unit are installed on the same base;
Feature
● There is a reliable mechanical interlocking device and electrical interlocking protection between the two molded case circuit breakers, which completely avoids the possibility of the two molded case circuit breakers being powered on at the same time;
● It has short circuit and overload protection functions;
OEM/ODM Service
Support using customer brand MCCB as main switch.
Technical Specification
Model | RDQ3NMA |
Rated Current | 100A to 800A |
Poles | 3P and 4P |
Working Power | AC150V-300V 50/60Hz |
Operation Mode | Auto and Manual |
Power Consumption | ≤20W |
Working Position | Three working positions I - O- II |
Running Status LED display | I/II Power available, I/II Power ON |
Transfer delay timer | Fixed 0.5s |
Source priority | Default source I priority |
A Controller Features

Terminals And Wiring Instruction
![]() | ① 1 ~ 4 Main power external indicator signal (active AC220V/0.3A) 1-Main power indicator live line 2-Main power indicator null line 3-Main power ON indicator live line 4-Main power ON indicator null line ② 5 ~ 8 Backup power external indicator signal (active AC 220V/0.3A) 5-Backup power indicator live line 6-Backup power indicator null line |



Reliable mechanical interlock device and electrical interlock protection, avoid two MCCB close at same time; Controller power supply and power source sampling power separate from SCM control system, from the hardware design to overcome the EMI;
Controller display panel removable can be separately install, to match different installation requirement; Frame current: 63, 125, 250, 400, 630, 800, 1250A
Hot Tags: 3 pole automatic transfer switches, China 3 Pole Automatic Transfer Switches suppliers, Automatic Transfer Switches manufacturers, Automatic Transfer Switches factory, price, discount
content is empty!