RDS3 Series PC class dual power Auto transfer switch, mainly used in two way power supply system with rated voltage below 400V, AC 50/60Hz, rated current up to 630A, when one power supply abnormal, then it transfer between two power supply system, to ensure the power supply reliability and safety.
| Quantity: | |
|---|---|

Auto Changeover Switches with Built-in ATS Controller
RDS3 Series PC class dual power Auto transfer switch is mainly used in two way power supply system with rated voltage below 400V, AC 50/60Hz, rated current up to 630A, when one power supply abnormal, then it transfers between two power supply system, to ensure the power supply reliability and safety.
RDS3-125E:

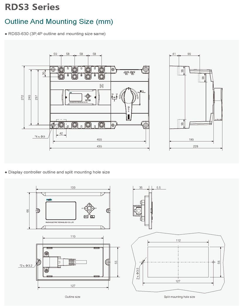
RDS3 Series
Product Features
● High short time withstand capacity, high short circuit making capacity
Adopt high density silver alloy contact, can withstand thousands operating cycles and no burning loss, no pit or no melting. No need daily contact maintenance, 100% rated current continues load. Contact system adopts bridge type double break rotating insert structure, reach high short time bearing capacity and high short circuit making capacity, no need for special SCPO, no affect the selective of circuit, meanwhile also can meet the application in the big capacity power supply system.
● 10Ie making and breaking capacity, match the AC-33B use category
Optimized magnetic blow-out arc extinguish system, easily reach 10Ie making and breaking capacity, match AC-33B use category and also match the load property of AC typical application of GB/T 14048.11 standard, have wide application range.
● Stacking structure, small volume
Main, backup power switch part adopt modularize design, stacking arrangement, make the product volume more smaller than other similar products.
● Three position with isolation lock
With "Main power position", "OFF position", "Backup power position" three working position, can used for fire linkage and high inductive impedance load; OFF position with isolation lock function, can meet the isolation requirement during th load side maintenance.
● Display controller can integrated installation, also can split installation
Display controller and transfer controller split set up, display controller can install on the switch body panel ( Integrated type), also can install separately on the door panel of switchgear box (split type), convenient for user to check and control of the ATS status.
● Multi-functions, different modes
Controller have under-voltage, over-voltage, phase missing automatic transfer function and motor-driven forced transfer function, Auto mode has auto transfer with auto recovery and auto transfer without recovery two modes, to fit different locations; also have fire linkage function, to cutoff the load power under emergency situation.
Welcome to contact us if you're interested in our 200 Amp Generator Changeover Switches.

Transfer Mode
1. Power grid - Power grid
Auto transfer Auto recovery

2. Power grid - Power grid
Transfer mode: auto transfer no auto recovery

3. Power grid – Generator

Note: Source I = power grid 1, source II = power grid 2





Hot Tags: auto changeover switches with built-in ats controller, China, suppliers, manufacturers, factory, price, discount

Auto Changeover Switches with Built-in ATS Controller
RDS3 Series PC class dual power Auto transfer switch is mainly used in two way power supply system with rated voltage below 400V, AC 50/60Hz, rated current up to 630A, when one power supply abnormal, then it transfers between two power supply system, to ensure the power supply reliability and safety.
RDS3-125E:

RDS3 Series
Product Features
● High short time withstand capacity, high short circuit making capacity
Adopt high density silver alloy contact, can withstand thousands operating cycles and no burning loss, no pit or no melting. No need daily contact maintenance, 100% rated current continues load. Contact system adopts bridge type double break rotating insert structure, reach high short time bearing capacity and high short circuit making capacity, no need for special SCPO, no affect the selective of circuit, meanwhile also can meet the application in the big capacity power supply system.
● 10Ie making and breaking capacity, match the AC-33B use category
Optimized magnetic blow-out arc extinguish system, easily reach 10Ie making and breaking capacity, match AC-33B use category and also match the load property of AC typical application of GB/T 14048.11 standard, have wide application range.
● Stacking structure, small volume
Main, backup power switch part adopt modularize design, stacking arrangement, make the product volume more smaller than other similar products.
● Three position with isolation lock
With "Main power position", "OFF position", "Backup power position" three working position, can used for fire linkage and high inductive impedance load; OFF position with isolation lock function, can meet the isolation requirement during th load side maintenance.
● Display controller can integrated installation, also can split installation
Display controller and transfer controller split set up, display controller can install on the switch body panel ( Integrated type), also can install separately on the door panel of switchgear box (split type), convenient for user to check and control of the ATS status.
● Multi-functions, different modes
Controller have under-voltage, over-voltage, phase missing automatic transfer function and motor-driven forced transfer function, Auto mode has auto transfer with auto recovery and auto transfer without recovery two modes, to fit different locations; also have fire linkage function, to cutoff the load power under emergency situation.
Welcome to contact us if you're interested in our 200 Amp Generator Changeover Switches.

Transfer Mode
1. Power grid - Power grid
Auto transfer Auto recovery

2. Power grid - Power grid
Transfer mode: auto transfer no auto recovery

3. Power grid – Generator

Note: Source I = power grid 1, source II = power grid 2





Hot Tags: auto changeover switches with built-in ats controller, China, suppliers, manufacturers, factory, price, discount
content is empty!